Anslutning för elektrisk dörröppnare för DS-KIS202, DS-KIS101-P, DS-KIS603-P, DS-KIS604-S, DS-KIS703-P Hikvision videodörröppningssystem
Meddelande daterat: 16-11-2020
Anslutning av elektrisk dörröppnare:
Video-intercom DS-KIS202:

DS-KIS703-P videointercom:

DS-KIS603-P videointercom

DS-KIS604-S videointercom

Anslutning av elektrisk dörröppnare:
Video-intercom DS-KIS202:

DS-KIS101-P videointercom (strömförsörjning av dörröppnaren från nätaggregatet):
DS-KIS101-P videointercom (strömförsörjning av dörröppnaren från den externa panelen):


DS-KIS703-P videointercom:

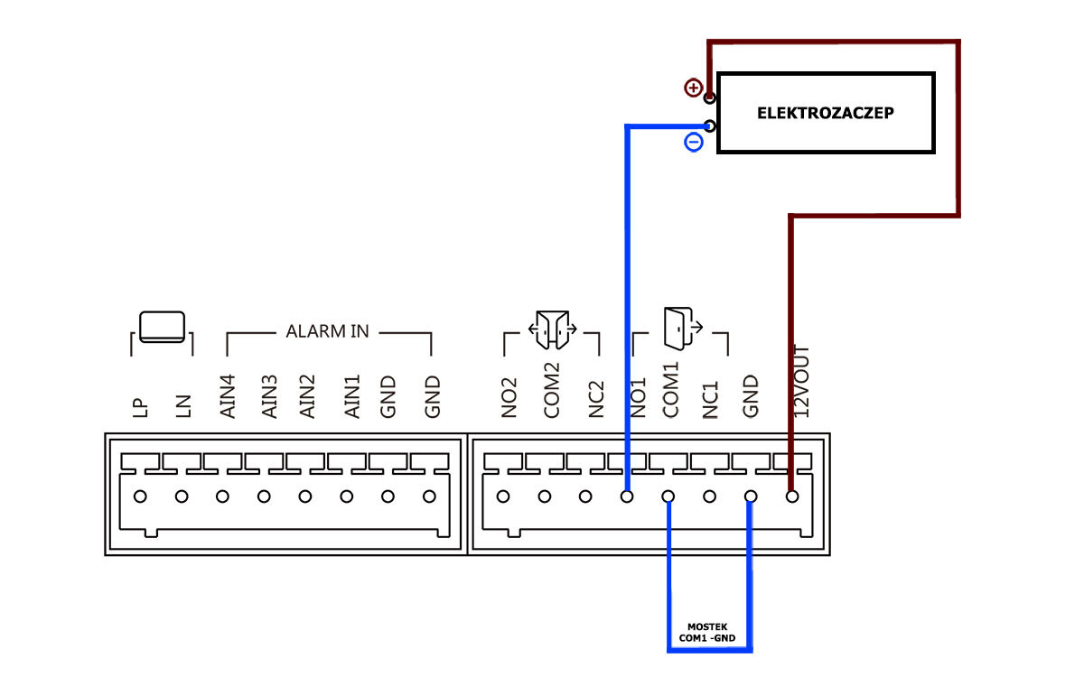
DS-KIS603-P videointercom

DS-KIS604-S videointercom

Övriga inlägg
Varumärkeszon
Våra rekommendationer
- Stadsövervakning
- Hemövervakning
- Områdesövervakning
- Butiksövervakning
- Apoteksövervakning
- Parkeringövervakning
- Kontorsövervakning
- Skolövervakning
- Lagerövervakning
- Bensinstationsövervakning
- Hårddiskkapacitets kalkylator
- Objektivets brännviddskalkylator
- Omfattande expertstöd
- Effektiv orderhantering
- Konkurrenskraftiga priser, erbjudanden och rabatter
- 17 år på marknaden